Доставка завтра - 390 ₽
Электрический пневмоклапан 2V025-08 DC24V — это надежный и высокоэффективный электромагнитный клапан, предназначенный для управления потоками воздуха, газа и других нейтральных газообразных сред. Он идеально подходит для использования в автоматизированных системах пневматики, промышленных установках и различных производственных процессах, требующих точного регулирования подачи рабочего газа. Благодаря своей конструкции, клапан 2V025-08 обеспечивает быструю реакцию и высокую скорость переключения, что делает его востребованным решением для сложных систем, где важны точность и надежность.
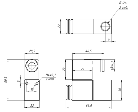
Основные характеристики клапана включают напряжение управления 24 В постоянного тока, что позволяет интегрировать его в системы с низким энергопотреблением. Пропускная способность клапана составляет 0.15 м³/мин, что обеспечивает оптимальную производительность для большинства пневматических приложений. Диаметр отверстия — 2.5 мм, соединение: вход-выход — 1/4", что делает клапан универсальным для подключения к стандартным трубопроводам. Рабочее давление находится в диапазоне от 0,15 до 0,8 МПа, а диапазон температуры среды — от -5 до +60°C, что позволяет использовать клапан в широких условиях эксплуатации.
Корпус изделия выполнен из прочного алюминия, устойчивого к коррозии и механическим повреждениям, что увеличивает срок его службы. Компактные габариты клапана позволяют легко монтировать его даже в ограниченном пространстве, а высокая герметичность предотвращает утечки рабочей среды. Клапан прост в обслуживании, что сокращает затраты на эксплуатацию.
Технические характеристики:
| Рабочая среда | Сжатый воздух (с фильтрацией 40 мкм) |
| Тип распределителя | Нормально закрытый |
| Число катушек управления: | 1 |
| Напряжение питания | 24 В |
| Мощность | 6 Вт |
| Рабочее давление | 0.15-0.8 МПа |
| Присоединение: вход-выход | 1/4" |
| Материал корпуса распределителя | Анодированный алюминий |
| Защита | IP65 |
Для покупки товара в нашем интернет-магазине выберите понравившийся товар и добавьте его в корзину. Далее перейдите в Корзину и нажмите на «Оформить заказ».
Оформление заказа выглядит следующим образом. Заполняете полностью форму по последовательным этапам: адрес, способ доставки, оплаты, данные о себе. Советуем в комментарии к заказу написать информацию, которая поможет курьеру вас найти. Нажмите кнопку «Оформить заказ».
Оплачивайте покупки удобным способом. В интернет-магазине доступно 3 варианта оплаты:
1. Наличные при самовывозе. Специалист свяжется с вами в день доставки, чтобы уточнить время и заранее подготовить товар. Вы вносите денежные средства, получаете товар.
2. Безналичный расчет при самовывозе или оформлении в интернет-магазине: карты МИР, Visa и MasterCard. Чтобы оплатить покупку, система перенаправит вас на сервер оплаты от ЯндексКасса. Здесь нужно ввести номер карты, срок действия и имя держателя.
3. Безналичный расчет по счету на оплату через приложение вашего банка или оператора в офисе банка.
Оплата производится после оформления заказа и выставления счета до его отгрузки.
Оплата заказа юридическим лицом возможна только по безналичному расчету. При этом при оформлении заказа в полях регистрации клиента должна указываться достоверная информация, в т.ч. обязательные поля к заполнению: ФИО, электронная почта и телефон!
Для вашего удобства мы оборудовали наш интернет-магазин системами оплаты с помощью банковских карт (МИР, VISA, MasterCard, Maestro), Яндекс.Деньги, WebMoney.
Оплату можно осуществить и с помощью банковского перевода через любой банк, действующий на территории РФ.
Экономьте время на получении заказа. В интернет-магазине доступно 3 варианта доставки:
1. Курьерская доставка до адреса работает с 9.00 до 18.00 час. Когда товар поступит на склад, курьерская служба свяжется для уточнения деталей. Специалист предложит выбрать удобное время доставки и уточнит адрес. Осмотрите упаковку на целостность и соответствие указанной комплектации перед его приемкой! В случае приемки товара в поврежденной упаковке, либо без осмотра товара (особенно хрупкого) все возможные риски его повреждения клиент берет на себя.
2. Курьерская доставка до терминала перевозчика. Когда товар поступит на склад перевозчика, он сообщит Вам о возможности получения товара. Осмотрите упаковку на целостность и соответствие указанной комплектации перед его приемкой! В случае приемки товара в поврежденной упаковке, либо без осмотра товара (особенно хрупкого) все возможные риски его повреждения клиент берет на себя.
3. Самовывоз из магазина. Список пунктов выдачи появится в корзине. Когда товар будет готов к выдаче, с вами свяжется наш менеджер и сообщит возможное время получения товара.
