Доставка завтра - 390 ₽
Электрический пневмоклапан 2V025-08 AC220 — это высококачественный электромагнитный клапан, предназначенный для точного управления потоками воздуха и других нейтральных газообразных сред. Он широко применяется в автоматизированных пневматических системах, различных промышленных установках, а также в системах водоснабжения и охлаждения. Благодаря управлению переменным напряжением 220 В, этот клапан идеально подходит для стандартных промышленных условий и может легко интегрироваться в существующие электрические системы без дополнительных преобразователей напряжения.
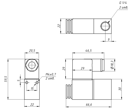
Конструкция клапана 2V025-08 AC220 обеспечивает высокую скорость переключения и надежную герметичность, что предотвращает утечки и позволяет контролировать поток среды с максимальной эффективностью. Пропускное отверстие диаметром 2,5 мм и стандартное резьбовое соединение 1/4" делают его удобным для подключения к большинству промышленных трубопроводов. Клапан работает при рабочем давлении до 0,8 МПа, что подходит для различных условий эксплуатации. Диапазон температур рабочей среды составляет от -5 до +60 °C, обеспечивая стабильную работу в сложных и переменчивых условиях.
Корпус изделия выполнен из высокопрочного алюминия, устойчивого к коррозии и механическим повреждениям, что гарантирует долговечность и надежность. Клапан имеет компактные размеры, что облегчает его монтаж даже в условиях ограниченного пространства. Простота установки и обслуживания позволяет минимизировать затраты на эксплуатацию и техническое обслуживание, а высокое качество исполнения обеспечивает продолжительный срок службы. Электрический пневмоклапан 2V025-08 AC220 — это идеальное решение для систем, требующих надежного и точного контроля газовых потоков с минимальными затратами на обслуживание.
Технические характеристики:
| Рабочая среда | Сжатый воздух (с фильтрацией 40 мкм) |
| Тип распределителя | Нормально закрытый |
| Число катушек управления: | 1 |
| Напряжение питания | 220 В |
| Мощность | 6 Вт |
| Рабочее давление | до 0.8 МПа |
| Присоединение: вход-выход | 1/4" |
| Материал корпуса распределителя | Анодированный алюминий |
| Защита | IP65 |
Для покупки товара в нашем интернет-магазине выберите понравившийся товар и добавьте его в корзину. Далее перейдите в Корзину и нажмите на «Оформить заказ».
Оформление заказа выглядит следующим образом. Заполняете полностью форму по последовательным этапам: адрес, способ доставки, оплаты, данные о себе. Советуем в комментарии к заказу написать информацию, которая поможет курьеру вас найти. Нажмите кнопку «Оформить заказ».
Оплачивайте покупки удобным способом. В интернет-магазине доступно 3 варианта оплаты:
1. Наличные при самовывозе. Специалист свяжется с вами в день доставки, чтобы уточнить время и заранее подготовить товар. Вы вносите денежные средства, получаете товар.
2. Безналичный расчет при самовывозе или оформлении в интернет-магазине: карты МИР, Visa и MasterCard. Чтобы оплатить покупку, система перенаправит вас на сервер оплаты от ЯндексКасса. Здесь нужно ввести номер карты, срок действия и имя держателя.
3. Безналичный расчет по счету на оплату через приложение вашего банка или оператора в офисе банка.
Оплата производится после оформления заказа и выставления счета до его отгрузки.
Оплата заказа юридическим лицом возможна только по безналичному расчету. При этом при оформлении заказа в полях регистрации клиента должна указываться достоверная информация, в т.ч. обязательные поля к заполнению: ФИО, электронная почта и телефон!
Для вашего удобства мы оборудовали наш интернет-магазин системами оплаты с помощью банковских карт (МИР, VISA, MasterCard, Maestro), Яндекс.Деньги, WebMoney.
Оплату можно осуществить и с помощью банковского перевода через любой банк, действующий на территории РФ.
Экономьте время на получении заказа. В интернет-магазине доступно 3 варианта доставки:
1. Курьерская доставка до адреса работает с 9.00 до 18.00 час. Когда товар поступит на склад, курьерская служба свяжется для уточнения деталей. Специалист предложит выбрать удобное время доставки и уточнит адрес. Осмотрите упаковку на целостность и соответствие указанной комплектации перед его приемкой! В случае приемки товара в поврежденной упаковке, либо без осмотра товара (особенно хрупкого) все возможные риски его повреждения клиент берет на себя.
2. Курьерская доставка до терминала перевозчика. Когда товар поступит на склад перевозчика, он сообщит Вам о возможности получения товара. Осмотрите упаковку на целостность и соответствие указанной комплектации перед его приемкой! В случае приемки товара в поврежденной упаковке, либо без осмотра товара (особенно хрупкого) все возможные риски его повреждения клиент берет на себя.
3. Самовывоз из магазина. Список пунктов выдачи появится в корзине. Когда товар будет готов к выдаче, с вами свяжется наш менеджер и сообщит возможное время получения товара.
